蓝牙车载充电器控制板开发
蓝牙车充可以插在汽车的点烟口,从汽车点烟口的电源取电,对外提供2个USB充电接口,可以同时给2个移动设备充电,并且可以自动判别苹果,三星安卓设备,其他安卓设备,输出相应电流,实现安全又快速的充电;它还具备蓝牙转FM功能,手机可以通过蓝牙与它连接,它将收到的蓝牙信号转为FM信号再发射给汽车音响。这样手机可以将音乐或者语音发送给汽车音响播放;它还内置了麦克风,可以作为蓝牙免提设备,直接接听电话,解决一边开车一边用手机的不安全问题;借助手机的APP,它还可以有其他用途,比如导航播报,收听网络电台等等。
一、蓝牙车载充电器的功能概况
(1)车载充电功能:适配所有12V和24V的车型。输出5V,最大连续充电电流3.1A。能自动识别苹果,三星,其他安卓设备,实现最优充电。
(2)实现最佳的蓝牙的RF性能,并且通过蓝牙认证。
(3)实现最佳的FM的RF指标,并且通过SRRC认证。
(4)实现最佳的整机音频指标(包括失真度,信噪比,频率响应)。(5)通过ESD以及EMC测试,解决干扰问题,不影响汽车自身FM收音机和导航系统使用。
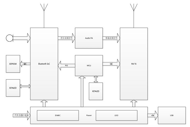
二、蓝牙车充的硬件电路总体架构设计
系统总体原理框图如下:

2.1硬件总体架构说明
(1)供电部分:将汽车点烟口的12VDC或者24VDC转换为5VDC供其他部分电路使用。(2)USB部分:将5VDC输出到USB端口,并且根据D+和D-信号线的电平控制充电电流。(3)蓝牙部分:负责接受用户的手机或者平板的蓝牙信号再转换为差分音频信号,输出给音频PA。(4)音频PA部分:负责将蓝牙芯片输出的差分音频信号转换为单端音频信号,再输出给FM芯片(4)FM部分:负责将输入的单端音频信号转换为FM射频信号,再发射给汽车的FM收音机。
本产品蓝牙与FM通过模拟音频音频组合在一起,快充功能相对独立,三者都是通过车载电源供电。
2.2蓝牙硬件电路设计
蓝牙部分选用CSR公司的CSR8635蓝牙SoC芯片,该芯片支持蓝牙协议V4.0,支持AVRCP,A2DP和Handset等蓝牙应用协议(Profile),最大发射功率8dBm,接收灵敏度-89dBm。该芯片核心是一颗80MHz的MCU加一颗80MIPS的DSP,内置ROM存储器,支持外扩串行Flash或者EEPROM。内置立体声音频编解码器(CODEC),有多路模拟和数字音频输入和输出,支持5段EQ调节,特有的CVC通话音质优化专利技术。支持USB,UART,I2C,SPI等接口,3个专用LED驱动IO。68脚的QFN封装,面积8mmX8mm。
2.3主控CPU硬件电路设计
主控部分可以选用STC15系列51内核单片机,负责蓝牙部分电源,按键和LED的控制,以及通过I2C总线控制FM芯片。
2.4电源及充电硬件电路设计
电源部分选用ANT公司的ACT4523车载电源芯片,它是一颗单芯片降压开关电源芯片,输入宽范围(10V~38V),输出电流能力强(3A@5V),最大94%的转换效率,开关频率可选,输出限流可设。保护功能齐全,如输入输出过压保护,过热保护。8脚SOP封装,面积6mmX5mm。
汽车点烟口的电源根据车型不同分为12V(轿车)和24V(卡车),而该芯片的输入电压范围可以适配所有车型。
USB充电部分选用CX2901芯片,它是一颗单芯片USB充电协议识别芯片,可以支持苹果手机和平板充电协议,三星手机和平板充电协议,一般安卓手机和平板充电协议。
2.5 PCB设计
各分板叠层设计(1)BT-FM板:4层板(2)MCU板:2层板(3)Charger板:2层板
三、车载充电器软件总体架构设计
软件设计可以分为两部分:(1)蓝牙部分:不需要编程,只需要使用CSR公司的软件设置参数。(2)主控部分:需要使用C51语言对STC15单片机编程。
蓝牙软件采用了ConfigTool-CSR8600 ROM series参数设置软件,ConfigTool-CSR8600 ROM series是一款集设置、保存、调用、下载于一体的设置软件,它为应用系统的软件开发设计提供了方便快捷的开发界面。
主控软件采用了Keil C51集成开发环境,Keil C51是一款集编写、编译、调试、下载于一体的集成开发环境,它为应用系统的软件开发设计提供了方便快捷的开发界面。
以上就是我们深圳市组创微电子有限公司为您介绍的蓝牙车载无线充开发示例。如果您有车载无线充电器方案开发需求,可以放心交给我们。我们代理多种单片机、语音芯片、双模蓝牙IC、wifi芯片。品牌有松翰单片机、应广单片机、杰理蓝牙、安凯蓝牙、全志、瑞昱(realtek)。我们的技术服务范围有:PCB设计、单片机开发、蓝牙方案、软硬件定制开发、APP开发、小程序开发、微信公众号开发等。还可以承接智能电子产品方案设计、生活电器开发、美容仪器研发、物联网平台应用、智能家居控制系统、TWS耳机、蓝牙耳机音箱开发、儿童益智玩具方案开发、电子教育产品方案设计等。
- 返回顶部